量程范围:10N 20N 30N 50N 100N 200N
其它:可非标定制
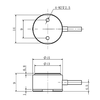
拉压双向测力传感器特点及应用:外径15mm、高度6mm、柱式结构、可拉压双向测力。可选用我司配套的信号放大器(0-5V、0-10V、0-20mA、4-20mA)、力值仪表(自带模拟量,RS485、RS232通讯),RS485数字转换器、PLC数据采集。
拉压双向测力传感器主要应用于狭小空间的力值测力。如高校力学实验、自动化设备检测、新能源产品组装、3C产品测试、医疗设备检测、汽车压装、模具组装、机器人手指捏力、按键手感度检测力、按键手感度测试仪、冷热压机压力检测、自动锁螺丝机、智能屏幕触摸测力等。
拉压双向测力传感器尺寸图:

受力方向:

拉压双向测力传感器技术参数:
| 额定输出 | Rated Output | 2.0mV/V ±10% |
| 综合精度 | Total Accuracy | 0.1% of rated output |
| 推荐激励电压 | Rated Excitation | 5V-10V DC/AC |
| 零点输出 | Zero Balance | ±2% of rated output |
| 非线性 | Nonlinearity | ±0.1% of rated output |
| 滞后 | Hysteresis | ±0.1% of rated output |
| 非重复性 | Nonrepeatability | ±0.1% of rated output |
| 蠕变(30分钟) | Greep(30min) | ±0.1% of rated output |
| 安全过载 | SafeOverload | 120% |
| 极限过载 | UltimateOverload | 150% |
| 温度补偿范围 | CompensatedTemp | -10℃ to +60℃ |
| 工作温度范围 | OperatingTemp | -20℃ to +80℃ |
| 零点温度漂移 | Temp.Shift Zero | ≤0.05% of rated output/10℃ |
| 灵敏度温度漂移 | Temp.ShiftSpen | ≤0.05% of rated output/10℃ |
| 输入阻值 | Input Resistance | 650/350Ω±10Ω |
| 输出阻值 | Output Resistance | 650/350Ω±5Ω |
| 绝缘阻值 | Insulation Resistance | ≥5000MΩ(50V DC) |
| 防护等级 | Ingress Protection | IP65 |
| 弹性体材料 | Elastomer material | 不锈钢Stainless steel |
| 电缆线规格 | Cable specification | Φ2*3000mm |
| 电缆线颜色 | Cable color | Red(E+) Black(E-) Green(S+) White(S-) |
传感器配套选型推荐: